首页
产品中心
GaN FETs
GaN ICs
Tech Service
EVBs
FAQs
市场应用
消费电子
信息通信
再生能源
汽车电子
设计中心
应用指导
参考设计
白皮书
在线工具
质量体系
认证能力
可靠性报告
证书荣誉
关于我们
关于正赢电力
新闻活动
加入正赢电力
如何购买
语言
EN
CN
Markets & Applications
市场应用
消费电子
信息通信
再生能源
汽车电子
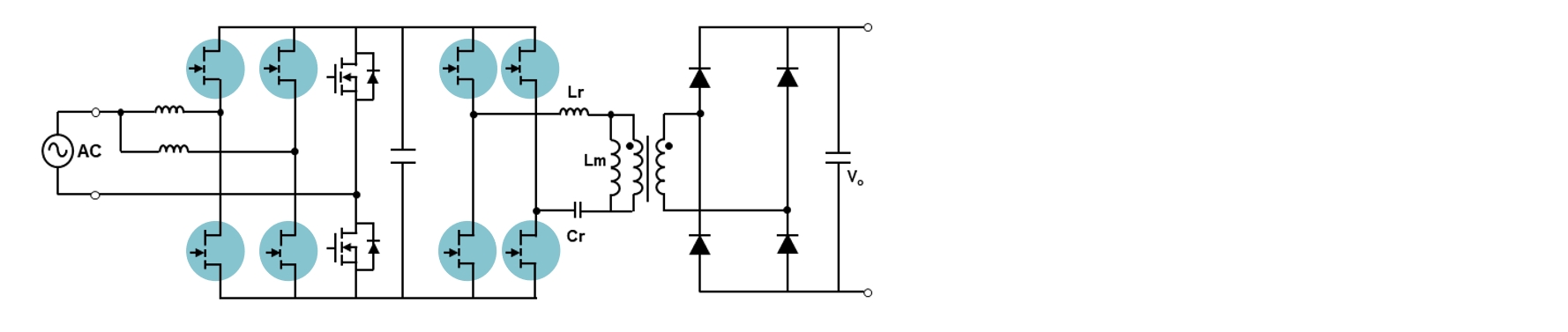
OBC
随着节能减排政策的推行以及电动车的普及,高效快速的充电的需求日益增加,车载充电器(On-Board Charger, OBC)可以将来自电网的交流电变换为直流电压,给汽车的电池组充电。而 GaN 器件可以实现该组件的高效小型化。
Learn More
介绍
随着电动车的日益普及,人们对充电功率以及充电效率提升的需求日益增强。OBC 是电动汽车的核心组件之一,负责将来自电网的交流电转化为电池组所需的直流电,其功率大小以及转化效率对于充电体验非常关键。
OBC 充电功率的提升可以缩短用户的充电时间,而充电效率的提升对于“节能减排”和充电成本也有着重要意义。此外 OBC 小型化对于降低车身重量和整车成本也至关重要。相较于传统 Si 器件,GaN 器件天然的优异性能,在 OBC 高功率、高效率和小型化方面有着无可比拟的优势。